您好,欢迎来到JOSEF互感器网站! 网站地图    关于我们    互感器推荐产品
 LZZB9-35、40.5电流互感器

LZZB9-35、40.5电流互感器

产品参数:
额定绝缘水平:40.5/95/185KV 表面爬电距离:851MM
产品优势:
耐污染及潮湿,尺寸小,重量轻
产品概述:
LZZB9-35、40.5型电流互感器为环氧树脂浇注全封闭产品,适用于额定频率50HZ或60HZ,额定电压35KV及以下户内装置的电力系统中,作电能计量、电流测量和继电保护用。
  • 产品详情
  • 产品问答
  • 产品型号

LZZB9-35、40.5型电流互感器
概述
LZZB9-35、40.5型电流互感器为环氧树脂浇注全封闭产品,适用于额定频率50HZ或60HZ,额定电压35KV及以下户内装置的电力系统中,作电能计量、电流测量和继电保护用。本产品符合IEC185及GB1208-1997《电流互感器》标准。
型号含义
LZZB9-35、40.5电流互感器型号含义

结构简介
本型电流互感器为全封闭支柱式结构,耐污染及潮湿,尺寸小,重量轻,适用于任何位置、任意方向安装。
技术参数
1.额定绝缘水平:40.5/95/185KV
2.表面爬电距离:851MM
3.产品性能标准符合GB1208-1997《电流互感器》
4.负载功率因数COSΦ=0.8(滞后),仪表保安系数FS小于等于10
5.环境温度:负5度到正40度
6.海拔高度:不超过2000米
7.其它技术参数见表。
LZZB9-35、40.5电流互感器技术参数

注:以上技术参数,额定二次电流为5A,如需1A或其它数据订货时请与公司联系。
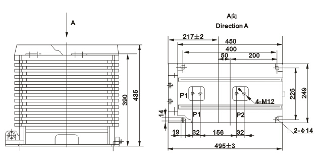
外形尺寸
LZZB9-35、40.5电流互感器外形尺寸

LZZBJ9-36/250W1(120-1250A)

LZZB9-35、40.5电流互感器外形尺寸
LZZBJ9-36/250W1(1500-2500A)

LZZB9-35、40.5电流互感器外形尺寸
LZZBJ9-36/250W2(20-1250A)

LZZB9-35、40.5电流互感器外形尺寸
LZZBJ9-36/250W2(1500-2500A)

    相关产品
 
QQ在线咨询
售前热线
021-55560736
售后热线
18116134756

邮  箱:cnhgq@foxmail.com

邮  编:201206

厂  址:上海市曹路钦塘工业园钦塘东南1号

销售地址:上海市浦东新区金高路1296-124号

© Copyright JOSEF Inc. All rights reserved. 

沪ICP备08020013号

电子营业执照