您好,欢迎来到JOSEF互感器网站! 网站地图    关于我们    互感器推荐产品
 JDZ12(A)-3、6、10(R)、JSZV12-10R电压互感器

JDZ12(A)-3、6、10(R)、JSZV12-10R电压互感器

产品参数:
1.负荷的功率因数:COSΦ=0.8(滞后) 2.海拔高度小于等于1000M,满足II级污秽等级 3.产品性能符合标准:GB1207-1997《电压互感器》
产品优势:
具有优良的防潮绝缘性能
产品概述:
JDZ12(A)-3、6、10(R)、JSZV12-10R型电压互感器是专为XGW-12型户外交流固定式金属封闭开关而设计的。本型电压互感器一次绕组带熔断器保护,配接COOPER(固珀)公司的肘型电缆插头。其熔断器安装快捷,熔断电流与电压互感器短路随能力相匹配,其二次输出容量大,准确级次高,不仅提供100V测量电压,还提供220V操作电源供断路器使用。
  • 产品详情
  • 产品问答
  • 产品型号

JDZ12(A)-3、6、10(R)、JSZV12-10R型电压互感器
概述

JDZ12(A)-3、6、10(R)、JSZV12-10R型电压互感器是专为XGW-12型户外交流固定式金属封闭开关而设计的。本型电压互感器一次绕组带熔断器保护,配接COOPER(固珀)公司的肘型电缆插头。其熔断器安装快捷,熔断电流与电压互感器短路随能力相匹配,其二次输出容量大,准确级次高,不仅提供100V测量电压,还提供220V操作电源供断路器使用。
型号含义
JDZ12(A)-3、6、10(R)、JSZV12-10R电压互感器型号含义

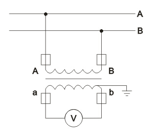
接线原理图
JDZ12(A)-3、6、10(R)、JSZV12-10R电压互感器接线图JDZ12(A)-3、6、10(R)、JSZV12-10R电压互感器接线图

结构简介
本系列电压互感器为环氧树脂浇注,全封闭结构,铁芯采用优质冷轧钢片,一、二次绕组和铁芯全部浇注在环氧树脂内,具有优良的防潮绝缘性能。互感器器身全部采用优质屏蔽材料进行屏蔽处理。
技术参数
1.负荷的功率因数:COSΦ=0.8(滞后)
2.海拔高度小于等于1000M,满足II级污秽等级
3.产品性能符合标准:GB1207-1997《电压互感器》
JDZ12(A)-3、6、10(R)、JSZV12-10R电压互感器技术参数



外形尺寸

JDZ12(A)-3、6、10(R)、JSZV12-10R电压互感器外形尺寸

JDZ12(A)-3、6、10(R)、JSZV12-10R电压互感器外形尺寸


 
QQ在线咨询
售前热线
021-55560736
售后热线
18116134756

邮  箱:cnhgq@foxmail.com

邮  编:201206

厂  址:上海市曹路钦塘工业园钦塘东南1号

销售地址:上海市浦东新区金高路1296-124号

© Copyright JOSEF Inc. All rights reserved. 

沪ICP备08020013号

电子营业执照