您好,欢迎来到JOSEF互感器网站! 网站地图    关于我们    互感器推荐产品
 JDZ-3、6、10(W)电压互感器

JDZ-3、6、10(W)电压互感器

产品参数:
额定电压:3KV 6KV 10KV 额定频率:50HZ
产品优势:
单项环氧树脂浇注户内双线圈电压互感器
产品概述:
JDZ-3、6、10(W)型电压互感器为单项环氧树脂浇注户内双线圈电压互感器。适用于交流50HZ的电力系统中作电压、电能测量及继电器保护用。本型互感器共有JDZ-3(W),JDZ-6(W)、JDZ-10(W)三种。
  • 产品详情
  • 产品问答
  • 产品型号

JDZ-3、6、10(W)型电压互感器
概述
JDZ-3、6、10(W)型
电压互感器为单项环氧树脂浇注户内双线圈电压互感器。适用于交流50HZ的电力系统中作电压、电能测量及继电器保护用。本型互感器共有JDZ-3(W),JDZ-6(W)、JDZ-10(W)三种。
型号含义
JDZ-3、6、10(W)电压互感器型号含义


使用条件
1.安装地点:海拔高度不超过1000M
2.周围环境温度不高于+40度,不低于-5度
3.周围空气的相对温度不大于85%(20度)
4.本产品能承受在相当于里氏九级裂度的加速度为0.4G正弦三波试验
5.本产品可在有污秽的环境里使用。
结构简介

本系列互感器为环氧树脂浇注式绝缘结构,铁心为叠片式,心柱上套装一、二次绕组,一次绕组与二次绕组为同心式,绕在同一骨架上,整个线圈外部用环氧树脂浇注成形,二次绕的引线通过浇注体上的两个嵌装螺母引出为a.x。一次绕组的引线通过浇注体上的两个高压接线端子引出为A.X。

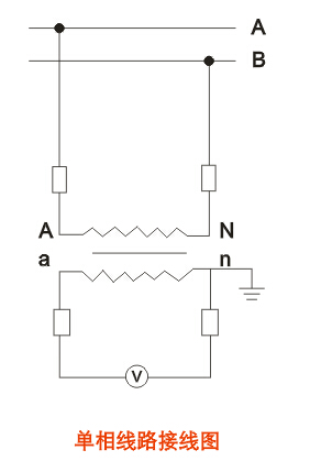
接线图

JDZ-3、6、10(W)电压互感器接线JDZ-3、6、10(W)电压互感器接线图

技术参数
JDZ-3、6、10(W)电压互感器技术参数

外形尺寸
JDZ-3、6、10(W)电压互感器外形尺寸

JDZ-3、JDZ-6

JDZ-3、6、10(W)电压互感器外形尺寸
JDZ-10

 
QQ在线咨询
售前热线
021-55560736
售后热线
18116134756

邮  箱:cnhgq@foxmail.com

邮  编:201206

厂  址:上海市曹路钦塘工业园钦塘东南1号

销售地址:上海市浦东新区金高路1296-124号

© Copyright JOSEF Inc. All rights reserved. 

沪ICP备08020013号

电子营业执照