您好,欢迎来到JOSEF互感器网站! 网站地图    关于我们    互感器推荐产品
 JDJ-3、6、10、12户外电压互感器

JDJ-3、6、10、12户外电压互感器

产品参数:
额定电压:3KV 6KV 10KV
产品优势:
产品概述:
JDJ-3、6、10、12电压互感器为户内油浸式单相不接地电压互感器,供额定频率为50HZ的电力系统中作电压电能测量及继电保护用,本型电压互感器共有JDJ-3、6、10、12四种。
  • 产品详情
  • 产品问答
  • 产品型号

JDJ-3、6、10、12电压互感器
概述

JDJ-3、6、10、12型电压互感器为户内油浸式单相不接地电压互感器,供额定频率为50HZ的电力系统中作电压电能测量及继电保护用,本型电压互感器共有JDJ-3、6、10、12四种
型号含义

JDJ-3、6、10、12户外电压互感器型号含义
JDJ-3、6、10、12户外电压互感器型号含义

结构简介
本系列互感器为油浸绝缘结构,铁心为叠片式,心柱上套装一、二次绕组,一次绕组与二次绕组为同心式,绕在同一个骨架上,整个器身固定在箱盖上置于油箱中,油箱内装绝缘变压器,油面距箱内表面10-15MM.绕组出线经箱盖上的高底压磁套分别引出供安装接线用,箱盖与油箱密封,箱盖上有注油塞


使用条件
1.海拔高度不超过1000M
2.周围环境温度不高于+40度,不低-5度
3.周围空气的相对湿度不大于85%(20度)
4.本产品已通过直接振动试验,能随住相当于里氏九级裂度的加速度为0.4G正弦三波的耐振试验
技术参数

JDJ-3、6、10、12户外电压互感器技术参数
JDJ-3、6、10、12户外电压互感器技术参数

使用接线图

JDJ-3、6、10、12户外电压互感器接线图
JDJ-3、6、10、12户外电压互感器接线图

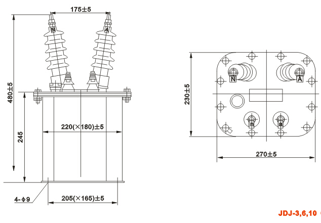
外形尺寸

JDJ-3、6、10、12户外电压互感器外形尺寸

JDJ-3、6、10、12户外电压互感器外形尺寸

 
 
QQ在线咨询
售前热线
021-55560736
售后热线
18116134756

邮  箱:cnhgq@foxmail.com

邮  编:201206

厂  址:上海市曹路钦塘工业园钦塘东南1号

销售地址:上海市浦东新区金高路1296-124号

© Copyright JOSEF Inc. All rights reserved. 

沪ICP备08020013号

电子营业执照