您好,欢迎来到JOSEF互感器网站! 网站地图    关于我们    互感器推荐产品
 JLSZV-10R组合互感器

JLSZV-10R组合互感器

产品参数:
额定绝缘水平:12/42/75KV 表面爬电距:满足III级污秽等级
产品优势:
接线方便,安装可靠。
产品概述:
JLSZV-10R电压、电流组合互感器系供交流50HZ、额定电压10KV三相线路中,作为电压、电流和电能测量和继电保护用。适用于工业企业小型变配电所及箱式变电站之用。
  • 产品详情
  • 产品问答
  • 产品型号

JLSZV-10R组合互感器
一 概述
JLSZV-10R电压、电流组合互感器系供交流50HZ、额定电压10KV三相线路中,作为电压、电流和电能测量和继电保护用。适用于工业企业小型变配电所及箱式变电站之用。
二 型号含义

JLSZV-10R组合互感器型号含义
JLSZV-10R组合互感器型号含义

三 结构简介
JLSZV-10R组合互感器为户内环氧树脂浇注全封闭、支柱式结构。是最新开发的带熔断器保护的全新电流、电压组合式互感器。本产品由两台单相全绝缘电压互感器组成"V"形接线,其熔断器装在一次出线端子内部,更换方便快捷,熔断电流与互感器短路能力相匹配,缩小了空间,使结构更加合理、紧凑;两台电流互感器分别串接在A、C相上,并且电流互感器二次绕组带有抽头可得到不同的电流比,还可做双绕组。
二次出线端有接线保护罩,其下方有出线孔,接线方便,安装可靠,并能实现防窃电。底糟钢上有四个安装孔供安装使用。
JLSZV-10R组合互感器接线原理图
JLSZV-10R组合互感器接线原理

四 技术参数

1.额定绝缘水平:12/42/75KV
2.表面爬电距:满足III级污秽等级
3.本型组合互感器系由单相电压互感器及单相电流互感器合成三相,电压互感器用V/V-12接线
4.本型组合互感器满足GB1208-1997《电流互感器》,GB1207-1997《电压互感器》,GB17201-1997《组合互感器》之要求
5.电压互感器额定变比:1000/100,三相额定二次输出:0.2级20X√3(VA),0.5级50X√3(VA),极限输出400X√3(VA)
6.负载功率因数COSΦ=0.8(滞后),电流互感器仪表保安系数FS小于等于10
7.环境温度:负30度到正40度
8.海拔高度:小于等于1000米
9.配用熔断器型号为XPNP□-12型0.5A(特殊要求请在订货时提出)

JLSZV-10R组合互感器技术参数
JLSZV-10R组合互感器技术参数

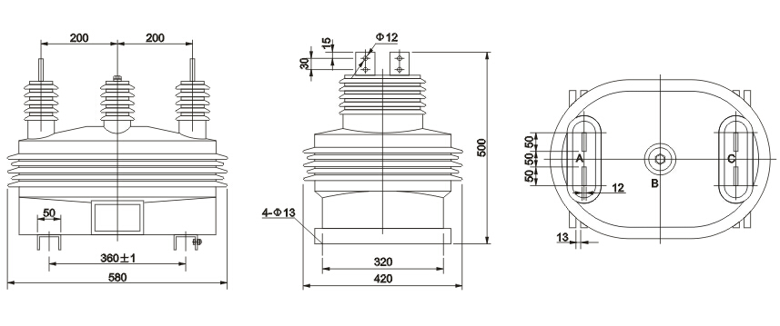
五 外形尺寸

JLSZV-10R组合互感器外形尺寸
JLSZV-10R组合互感器外形尺寸

六 订货须知
1.型号、电压比
2.准确级及相应的二次负荷
3.绝缘等级及使用环境

 

 
QQ在线咨询
售前热线
021-55560736
售后热线
18116134756

邮  箱:cnhgq@foxmail.com

邮  编:201206

厂  址:上海市曹路钦塘工业园钦塘东南1号

销售地址:上海市浦东新区金高路1296-124号

© Copyright JOSEF Inc. All rights reserved. 

沪ICP备08020013号

电子营业执照